12 МО
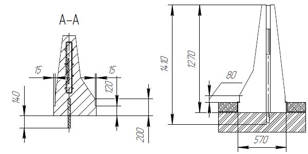
Характеристики изделия:
| Параметр | Значение |
|---|---|
| длина | 3552 мм |
| ширина | 570 мм |
| высота | 1410 мм |
| масса | 7000 кг |
| нормативный документ | ТУ 5899-002-61548960-2010 |
Цена:
Рассчитать стоимость12 МО Блоки переходные парапетного одностороннего ограждения мостовой группы по ТУ 5899-002-61548960-2010.
