СП 104

Чертеж изделия:
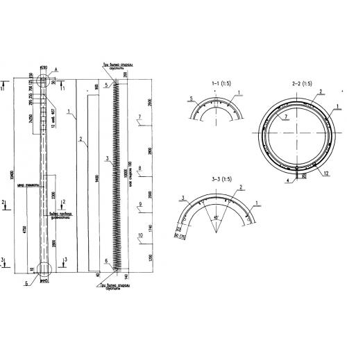
Характеристики изделия:
ПараметрЗначение
Длина10400 мм
ширина290 мм
высота445 мм
вес1600 кг
серияТП 4180

СП 104 Стойка по проекту ТП 4180.