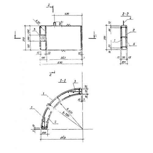
МЖ 2-6

Чертеж изделия:
Характеристики изделия:
ПараметрЗначение
длина650 мм
ширина370 мм
высота650 мм
вес73 кг
серияТП 310-4-1

МЖ 2-6 Малые железобетонные архитектурные формы по проекту ТП 310-4-1.