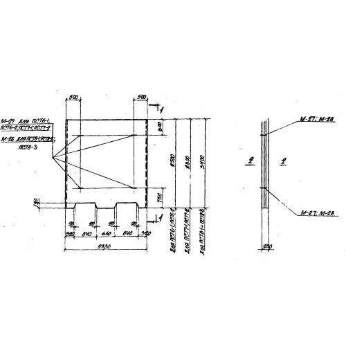
ПСТ 6

Чертеж изделия:
Характеристики изделия:
ПараметрЗначение
длина2980 мм
ширина2500 мм
высота250 мм
вес4500 кг
серияИС 01-05

ПСТ 6 Плиты стеновые по серии ИС 01-05.