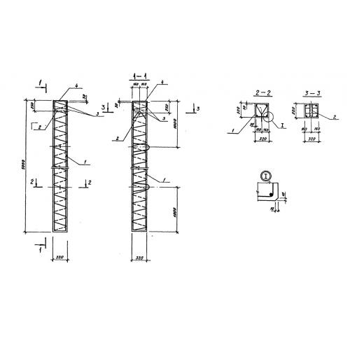
СВЖ

Чертеж изделия:
Характеристики изделия:
ПараметрЗначение
длина5000 мм
ширина320 мм
высота320 мм
вес1275 кг
серия3.900.9-13

СВЖ Сваи по серии 3.900.9-13.