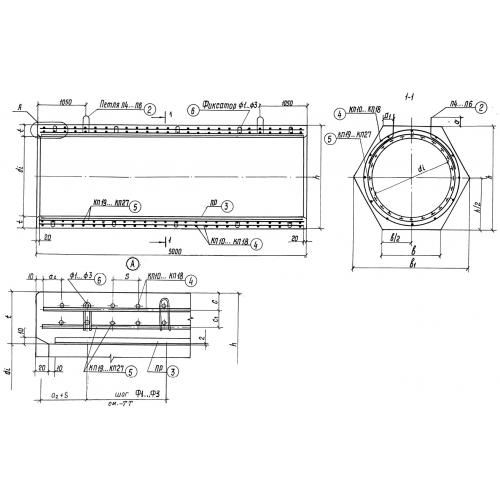
ТНП 120.50

Чертеж изделия:
Характеристики изделия:
ПараметрЗначение
длина5000 мм
ширина1720 мм
высота1480 мм
вес9730 кг
серия3.820.1-80.94

ТНП 120.50 Трубы напорные с внутренней полиэтиленовой облицовкой по серии 3.820.1-80.94.