ФО 45
Характеристики изделия:
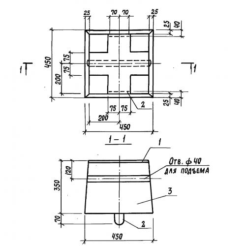
| Параметр | Значение |
|---|---|
| длина | 450 мм |
| ширина | 450 мм |
| высота | 350 мм |
| вес | 150 кг |
| серия | 3.818.9-2 |
Цена:
Рассчитать стоимостьФО 45 вундаменты ограждений по серии 3.818.9-2.
| Параметр | Значение |
|---|---|
| длина | 450 мм |
| ширина | 450 мм |
| высота | 350 мм |
| вес | 150 кг |
| серия | 3.818.9-2 |
ФО 45 вундаменты ограждений по серии 3.818.9-2.
