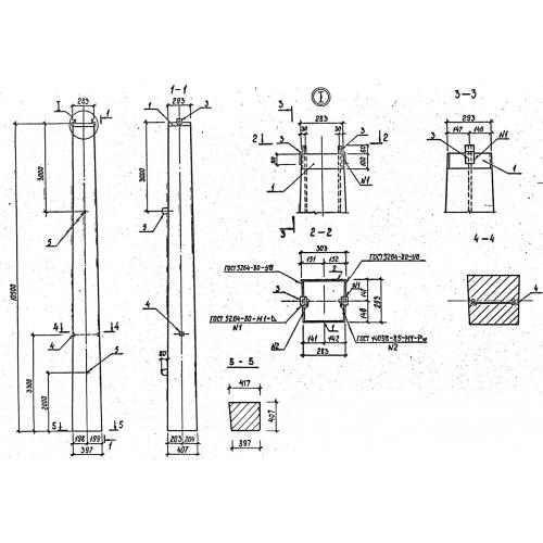
ВС 105-167 Стойки конические прямоугольного сечения

Чертеж изделия:
Характеристики изделия:
ПараметрЗначение
длина10500 мм
ширина417 мм
высота407 мм
масса3250 кг
нормативный документСерия 3.407.1-157

ВС 105-167  Вибропресованные стойки по Серии 3.407.1-157.