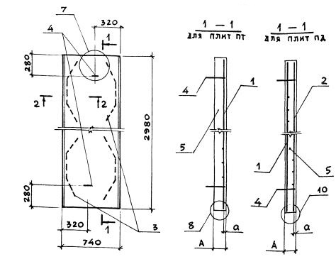
ПТ 75.300.25 плиты лотков
Характеристики изделия:
| Параметр | Значение |
|---|---|
| длина | 740 мм |
| ширина | 2980 мм |
| высота | 250 мм |
| масса | 13870 кг |
| нормативный документ | Серия 3.006.1-8 |
Цена:
Рассчитать стоимостьПТ 75.300.25 Плиты перекрытий каналов Серия 3.006.1-8.
| Параметр | Значение |
|---|---|
| длина | 740 мм |
| ширина | 2980 мм |
| высота | 250 мм |
| масса | 13870 кг |
| нормативный документ | Серия 3.006.1-8 |
ПТ 75.300.25 Плиты перекрытий каналов Серия 3.006.1-8.