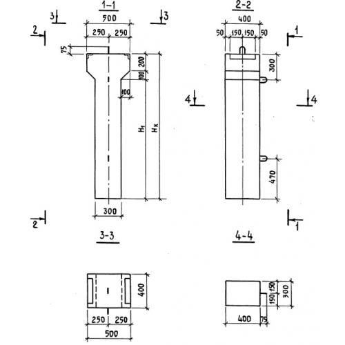
К 30

Чертеж изделия:
Характеристики изделия:
ПараметрЗначение
длина2310 мм
ширина500 мм
высота400 мм
масса750 кг
нормативный документСерия 3.006.1-3/83

К 30 Колонны тоннелей Серия 3.006.1-3/83.