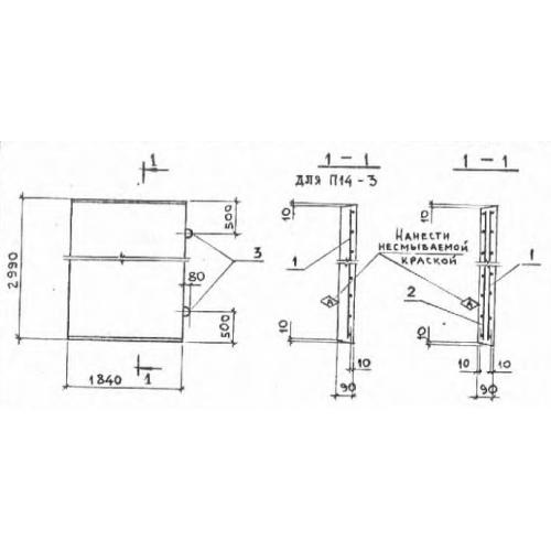
П 14 плиты лотков

Чертеж изделия:
Характеристики изделия:
ПараметрЗначение
длина2990 мм
ширина1840 мм
высота90 мм
масса1240 кг
нормативный документСерия 3.006.1-2/87

П 14 Плиты перекрытия лотков Серия 3.006.1-2/87.