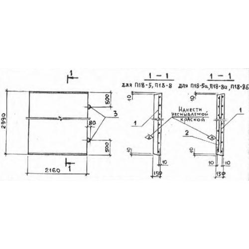
П 18

Чертеж изделия:
Характеристики изделия:
ПараметрЗначение
длина2990 мм
ширина2160 мм
высота150 мм
вес2420 кг
серия3.006-2

П 18 Плиты перекрытия лотков по серии 3.006-2.