П 16
Характеристики изделия:
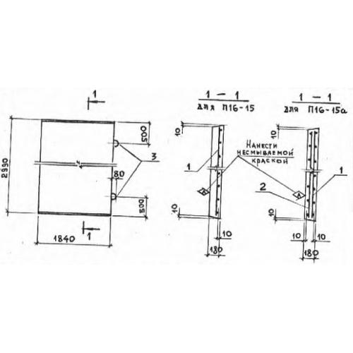
| Параметр | Значение |
|---|---|
| длина | 2990 мм |
| ширина | 1840 мм |
| высота | 180 мм |
| вес | 2480 кг |
| серия | 3.006-2 |
Цена:
Рассчитать стоимостьП 16 Плиты перекрытия лотков по серии 3.006-2.
| Параметр | Значение |
|---|---|
| длина | 2990 мм |
| ширина | 1840 мм |
| высота | 180 мм |
| вес | 2480 кг |
| серия | 3.006-2 |
П 16 Плиты перекрытия лотков по серии 3.006-2.
