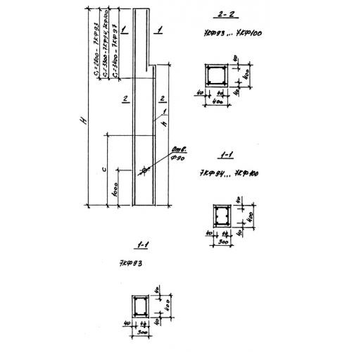
7КФ 93 колонны

Чертеж изделия:
Характеристики изделия:
ПараметрЗначение
длина9300 мм
ширина400 мм
высота500 мм
масса4650 кг
нормативный документСерия 1.427.1-3

7КФ 93  Колонны фахверка Серия 1.427.1-3.