ВБ-18.3.3
Характеристики изделия:
| Параметр | Значение |
|---|---|
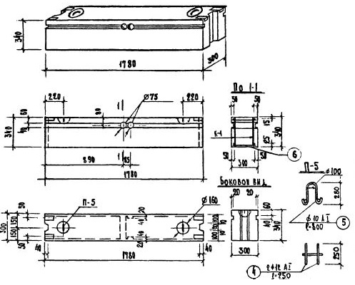
| Длина | 1780 мм |
| Ширина | 300 мм |
| Высота | 340 мм |
| Масса | 315 кг |
| Нормативный документ | Серия 1.134-1 |
Цена:
Рассчитать стоимостьВБ-18.3.3 Блоки внутренних стен горизонтальные по Серии 1.134-1.
| Параметр | Значение |
|---|---|
| Длина | 1780 мм |
| Ширина | 300 мм |
| Высота | 340 мм |
| Масса | 315 кг |
| Нормативный документ | Серия 1.134-1 |
ВБ-18.3.3 Блоки внутренних стен горизонтальные по Серии 1.134-1.