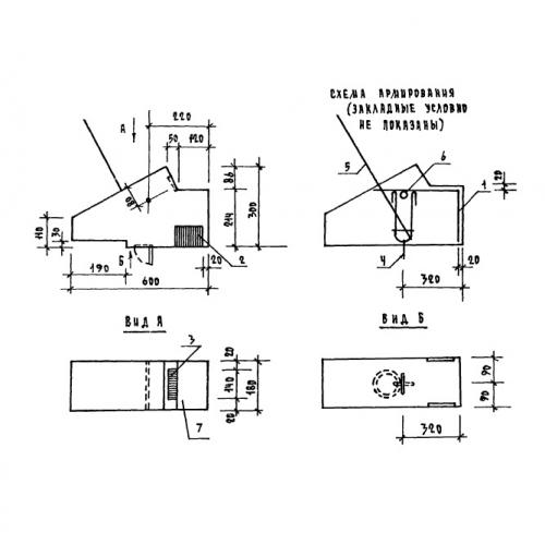
ПБ-1
Характеристики изделия:
| Параметр | Значение |
|---|---|
| длина | 600 мм |
| ширина | 180 мм |
| высоа | 300 мм |
| вес | 58 кг |
| серия | 1.133.1-7 |
Цена:
Рассчитать стоимостьПБ-1 Блоки подстропильные по серии 1.133.1-7.
| Параметр | Значение |
|---|---|
| длина | 600 мм |
| ширина | 180 мм |
| высоа | 300 мм |
| вес | 58 кг |
| серия | 1.133.1-7 |
ПБ-1 Блоки подстропильные по серии 1.133.1-7.
