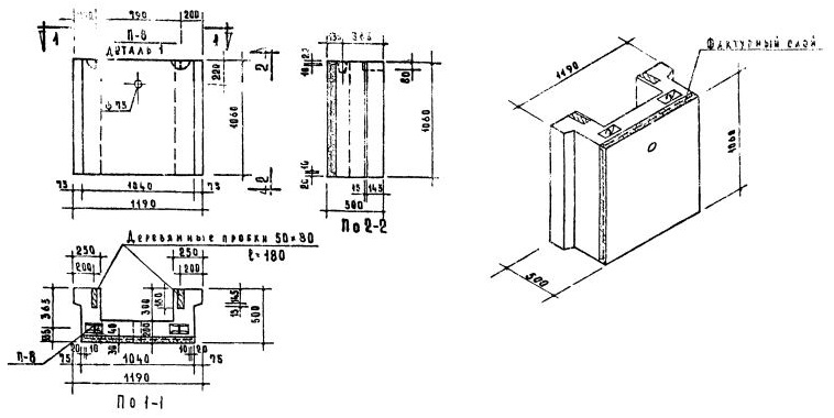
НБО-12.11.5

Чертеж изделия:
Характеристики изделия:
ПараметрЗначение
Длина1190 мм
Ширина500 мм
Высота1060 мм
Масса695 кг
Нормативный документСерия 1.133-1

Стеновые легкобетонные блоки толщиной 50 см по Серии 1.133-1.

НБО-12.11.5  Подоконный блок.