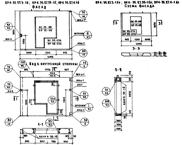
НР4-35.27.3-1бл

Чертеж изделия:
Характеристики изделия:
ПараметрЗначение
Длина3495 мм
Ширина300 мм
Высота2650 мм
Масса2850 кг
Нормативный документСерия 1.132-1

НР4-35.27.3-1бл   Наружная стеновая панель рядовая по Серии 1.132-1.