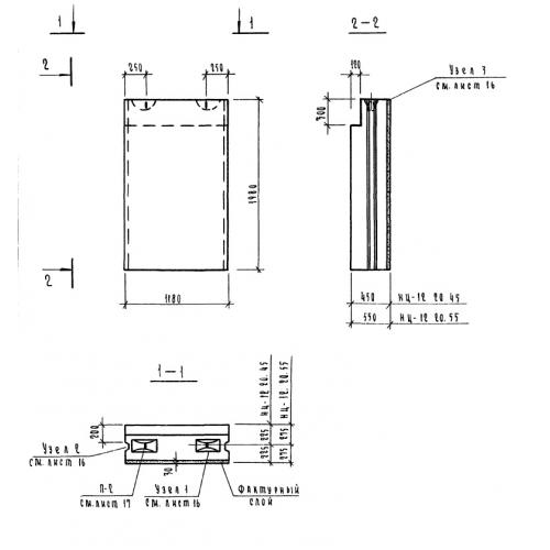
НЦ 12.20.55

Чертеж изделия:
Характеристики изделия:
ПараметрЗначение
длина1180 мм
ширина550 мм
высота1980 мм
вес2915 кг
серия1.116-5

НЦ 12.20.55 Наружные цокольные блоки по серии 1.116-5.