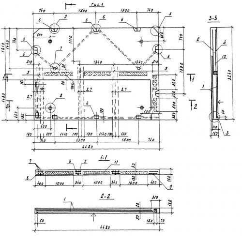
ПЛ 45.32

Чертеж изделия:
Характеристики изделия:
ПараметрЗначение
длина4480 мм
ширина3240 мм
высота160 мм
вес5230 кг
серия1.100.1-7

ПЛ 45.32 Плиты лоджий по серии 1.100.1-7.