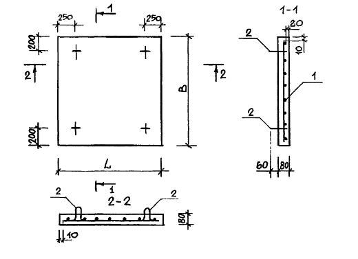
ЛП 17-4

Чертеж изделия:
Характеристики изделия:
ПараметрЗначение
длина1490 мм
ширина1410 мм
высота80 мм
масса420 кг
нормативный документСерия 1.050.9-4.93

ЛП 17-4  Площадочные плиты Серия 1.050.9-4.93.