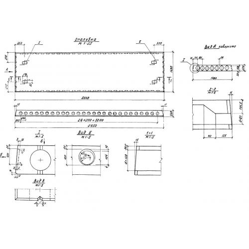
ПК 56-24-10

Чертеж изделия:
Характеристики изделия:
ПараметрЗначение
длина5650 мм
ширина1490 мм
высота220 мм
вес3200 кг
серия1.041-1

ПК 56-24-10 Многопустотные плиты перекрытия по серии 1.041-1.