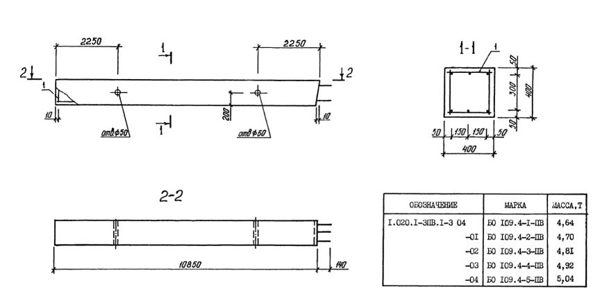
БО 109.4

Чертеж изделия:
Характеристики изделия:
ПараметрЗначение
длина10990 мм
ширина400 мм
высота400 мм
масса5040 кг
нормативный документСерия 1.020.1-3пв

БО 109.4  Балки обвязочные Серия 1.020.1-3пв.