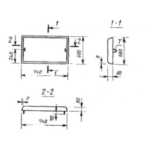
3П 7.7.8 плиты покрытия трамвайных путей
Характеристики изделия:
| Параметр | Значение |
|---|---|
| длина | 680 мм |
| ширина | 740 мм |
| высота | 80 мм |
| масса | 100 кг |
| нормативный документ | ГОСТ 19231.0(1)-83 |
Цена:
Рассчитать стоимость3П 7.7.8 Плиты покрытия трамвайных путей ГОСТ 19231.0(1)-83.
